Το 555 είναι ένα ολοκληρωμένο κύκλωμα - ηλεκτρονικό εξάρτημα. Είναι πολύ χρήσιμο και φθηνό. Χρησιμοποιείται ως χρονόμετρο με 3 λειτουργίες.
Είτε ενεργοποιεί μια κατάσταση μετά από καθορισμένο χρόνο είτε την ενεργοποιεί για συγκεκριμένο χρονικό διάστημα είτε αλλάζει κατάσταση ανά συγκεκριμένα χρονικά διαστήματα. Στην τελευταία παρατηρούμε μια αστάθεια στη λειτουργία.
Είτε ενεργοποιεί μια κατάσταση μετά από καθορισμένο χρόνο είτε την ενεργοποιεί για συγκεκριμένο χρονικό διάστημα είτε αλλάζει κατάσταση ανά συγκεκριμένα χρονικά διαστήματα. Στην τελευταία παρατηρούμε μια αστάθεια στη λειτουργία.
H εικόνα δείχνει το συγκεκριμένο στοιχείο και τι συνδέουμε στο κάθε ποδαράκι. Για όσους δε γνωρίζουν τι σημαίνουν οι αγγλικές ορολογίες, να ενημερώσω ότι:
- trigger είναι το ποδαράκι που δέχεται το σήμα διέγερσης
- output βγάζει το σήμα εξόδου
- reset είναι η επανεκκίνηση
- discharge είναι εκφόρτιση
- threshold είναι το σήμα εναλλαγής κατάστασης
- control είναι η τάση ελέγχου
Παρατηρώντας την κάτοψη του υλικού υπάρχει ένα τετραγωνάκι που στην πραγματικότητα είναι μια κουκκίδα. Αυτή η τελίτσα υποδεικνύει ότι το συγκεκριμένο ποδαράκι είναι το 1 για να γνωρίζουμε από που να κάνουμε την αρίθμηση.
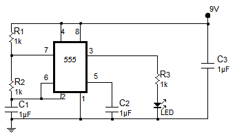
Βρήκα ένα κύκλωμα που μπορούμε να καταλάβουμε μια εκ των λειτουργιών του. Στην προκειμένη περίπτωση θα δούμε την ασταθή λειτουργία του. Στην έξοδο θα βάλουμε ένα led να ανάβει μόλις δεχτεί σήμα.
Βρήκα ένα κύκλωμα που μπορούμε να καταλάβουμε μια εκ των λειτουργιών του. Στην προκειμένη περίπτωση θα δούμε την ασταθή λειτουργία του. Στην έξοδο θα βάλουμε ένα led να ανάβει μόλις δεχτεί σήμα.
Τα ποδαράκια 2 και 6 τα βραχυκυκλώνουμε για να καταφέρουμε αυτή την εναλλαγή κατάστασης. Σύμφωνα με το εγχειρίδιο χρήσης (manual), ο 555 παρουσιάζει τάση 2/3Vcc = 2/3*9 = 6V. Αυτή είναι και η τάση ελέγχου εναλλαγής. Στην ουσία η τάση σταθερής λειτουργίας είναι μεταξύ 1/3 και 2/3 δηλαδή από 3V μέχρι 6V. Στην αρχή βρίσκεται σε ηρεμία. Αφού δώσουμε σήμα στο ποδαράκι 8 αρχίζει το πρώτο στάδιο διέγερσης και το LED ανάβει αφού μεταβαίνουμε από την κατάσταση "0" στην "1". Εδώ αρχίζει να φορτίζεται ο πυκνωτής μέσω των αντιστάσεων R1, R2 = 1kΩ. Κάποια στιγμή φορτίζοντας θα φτάσει τα 6V και μόλις τα ξεπεράσει ξαναλλάζει από "1" σε "0". Σβήνει το led, αποφορτίζεται σιγά σιγά ο πυκνωτής με τη βοήθεια του 7 άκρου του 555 και της R2 μέχρι να φτάσει τα 3V. Εκεί έχουμε το 2ο στάδιο διέγερσης από "0" σε "1" και η διαδικασία επαναλαμβάνεται μέχρι να ανοίξουμε το κύκλωμα ή να διακόψουμε την τάση. Με αυτή τη λειτουργία το led αναβοσβήνει κατά συγκεκριμένα χρονικά διαστήματα. Ο χρόνος t0, που είναι σβηστό το led υπολογίζεται από τον τύπο:
t0 = 0.7*C*R2
και ο χρόνος t1 που το led μένει αναμμένο είναι:










0 σχόλια:
Δημοσίευση σχολίου